How Can We Help?
Search for answers or browse our help center.
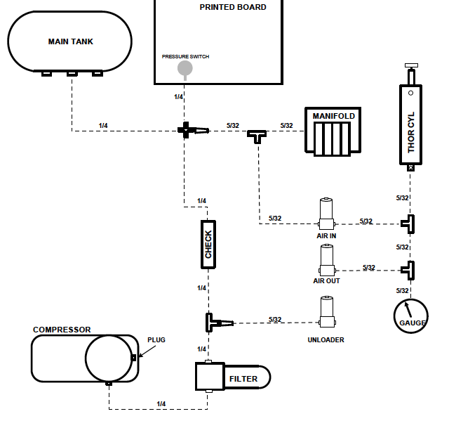
Hose routing (Breakaway)
Begin February 2014
Relocates the check valve and the unloader valve after the filter to reduce chance of malfunction due to particulate.
TO CONVERT FROM 2012 or 2013:
H1917 -1-Brass plug for compressor
H6911- 1- 90 degree elbow to replace banjo fitting in filter
H415- 2 – reducers
H9256- 1- 1/4″ cross fitting
H6896- 1 ft- hose , 5/32″
H6897- 1 ft- hose, 1/4″