How Can We Help?
Search for answers or browse our help center.
-
AFT
- AC Tech drive location (6/2005-10/2012)
- Add "On" Button
- Add Filter to AFT (December 2012 - November 2013)
- Add On/Off Switch for the Flexion Only
- Add RFI Filter (January 2012 - November 2012)
- Add Timer
- Adding a corded start/stop pedal to the KB drive (11/2012-present)
- AFT Drive - Replace the Rectifier
- Brake not releasing on automatic flexion (6/2005-10/2012)
- Brake rectifier test
- Caster Unit at Head End Only
- Change Out an Outside Scissor
- Compressor runs frequently or continuously (1/2012-2019)
- FC error code on AC Tech (6/2005-10/2012)
- Flexion stops on it's own (6/2005-10/2012)
- Horizontal stop not working on KB drive (11/2012-present)
- Hose routing (Breakaway)
- Hose Routing (no breakaway)
- How to add home hole on a drop headpiece no raise
- How to adjust fixed boost on AC tech drive (6/2005-5/2008)
- How to Replace a Broken Hinge
- How to replace the EPM chip due to a cF fault (6/2005-10/2012)
- How to use the Scoliosis Treatment Package
- Install Wires Supplying Power to the KB Drive
- KB Drive
- KB drive location & LED check (11/2012-present)
- KB Drive Start/Stop Pedal
- Lubricate Pivot Point
- On/Off circuit breaker check
- Reed switch adjustment
- Reed switch bracket fix
- Remove the Pelvic Frame Assembly
- Repair Rest for Lifter Roller
- Replace a Stand-alone Valve
- Replace a Stand-alone Valve (Dec. 2012 - Present)
- Replace AC Tech Brand with WEG Brand
- Replace AC Tech Drive with a KB Drive
- Replace Board in Control Box
- Replace KB Drive with WEG Brand
- Replace Pro Switch with Reed Switch
- Replace Push Button Switch
- Replace RFI Filter in AFT
- Replace the AC Tech Drive
- Replace the Gearmotor/Verify Alignment of Motor to Frame
- Replace the Horizontal Switch
- Replace the Rectifier (November 2021-March 2022)
- Replace the Rectifier (Tables from 2005-2012)
- Replace the Speed Pot
- Replace the Timer
- Replace Thoracic Mechlok
- Replace Upper Pivot Weldment
- RFI filter
- Routine maintenance
- Scoliosis Package
- Stop function troubleshooting (6/2005-10/2012)
- Thoracic Cushion Removal
- Troubleshooting brake rectifier current overload fault
- Unloader valve plumbing on a deluxe table (1/2012-2019)
- Verifying ball joint assembly alignment
- Show all articles (44) Collapse Articles
Print
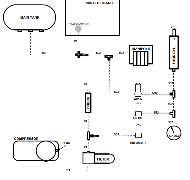
Hose routing (Breakaway)
Begin February 2014
Relocates the check valve and the unloader valve after the filter to reduce chance of malfunction due to particulate.
TO CONVERT FROM 2012 or 2013:
H1917 -1-Brass plug for compressor
H6911- 1- 90 degree elbow to replace banjo fitting in filter
H415- 2 – reducers
H9256- 1- 1/4″ cross fitting
H6896- 1 ft- hose , 5/32″
H6897- 1 ft- hose, 1/4″