How Can We Help?
Search for answers or browse our help center.
-
AFT
- AC Tech drive location (6/2005-10/2012)
- Add "On" Button
- Add Filter to AFT (December 2012 - November 2013)
- Add On/Off Switch for the Flexion Only
- Add RFI Filter (January 2012 - November 2012)
- Add Timer
- Adding a corded start/stop pedal to the KB drive (11/2012-present)
- AFT Drive - Replace the Rectifier
- Brake not releasing on automatic flexion (6/2005-10/2012)
- Brake rectifier test
- Caster Unit at Head End Only
- Change Out an Outside Scissor
- Compressor runs frequently or continuously (1/2012-2019)
- FC error code on AC Tech (6/2005-10/2012)
- Flexion stops on it's own (6/2005-10/2012)
- Horizontal stop not working on KB drive (11/2012-present)
- Hose routing (Breakaway)
- Hose Routing (no breakaway)
- How to add home hole on a drop headpiece no raise
- How to adjust fixed boost on AC tech drive (6/2005-5/2008)
- How to Replace a Broken Hinge
- How to replace the EPM chip due to a cF fault (6/2005-10/2012)
- How to use the Scoliosis Treatment Package
- Install Wires Supplying Power to the KB Drive
- KB Drive
- KB drive location & LED check (11/2012-present)
- KB Drive Start/Stop Pedal
- Lubricate Pivot Point
- On/Off circuit breaker check
- Reed switch adjustment
- Reed switch bracket fix
- Remove the Pelvic Frame Assembly
- Repair Rest for Lifter Roller
- Replace a Stand-alone Valve
- Replace a Stand-alone Valve (Dec. 2012 - Present)
- Replace AC Tech Brand with WEG Brand
- Replace AC Tech Drive with a KB Drive
- Replace Board in Control Box
- Replace KB Drive with WEG Brand
- Replace Pro Switch with Reed Switch
- Replace Push Button Switch
- Replace RFI Filter in AFT
- Replace the AC Tech Drive
- Replace the Gearmotor/Verify Alignment of Motor to Frame
- Replace the Horizontal Switch
- Replace the Rectifier (November 2021-March 2022)
- Replace the Rectifier (Tables from 2005-2012)
- Replace the Speed Pot
- Replace the Timer
- Replace Thoracic Mechlok
- Replace Upper Pivot Weldment
- RFI filter
- Routine maintenance
- Scoliosis Package
- Stop function troubleshooting (6/2005-10/2012)
- Thoracic Cushion Removal
- Troubleshooting brake rectifier current overload fault
- Unloader valve plumbing on a deluxe table (1/2012-2019)
- Verifying ball joint assembly alignment
- Show all articles (44) Collapse Articles
Print
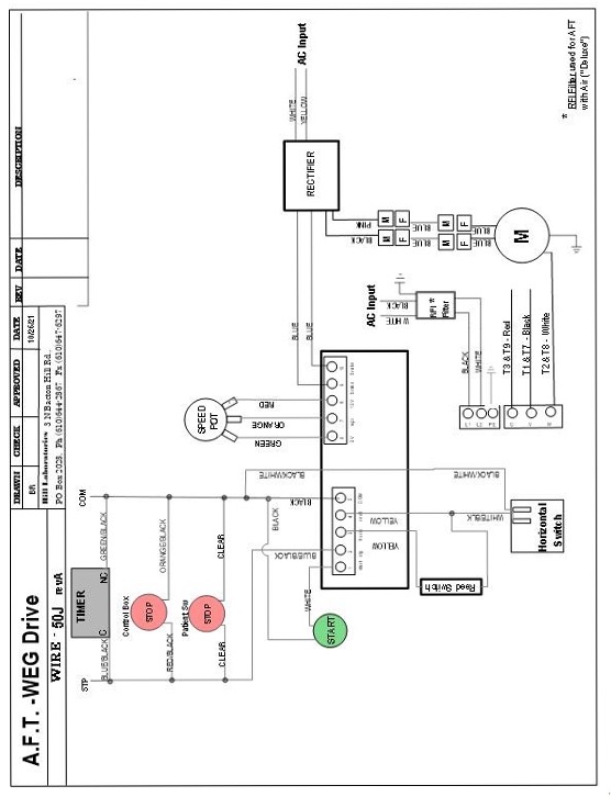
Replace KB Drive with WEG Brand



